FORO DE LA ELECTRONICA

Cualquier pregunta o solicitud mandada a foro@ifent.org será publicada en esta página, 
así como las respuestas que me lleguen
NOTA: Para que las páginas no sean demasiado largas y pesadas las he dividido por periodos

Preguntas, cuestiones y respuestas que nos han llegado : Agosto/Septiembre 1.999

Aquellos que conozcáis alguna respuesta, animaros a colaborar mandándolas a foro@ifent.org
La cuestión (262) de Laura Pardo ha tenido respuesta
La cuestión (233) de Daniel González ha tenido respuesta
La cuestión (222) de Sergio ha tenido respuesta
La cuestión (206) de Byron Castro ha tenido respuesta

 
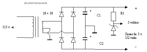
291 Fuente simetrica        "Hugo Mendez" <gamonsa@intelnet.net.gt>
javier: Recibe un saldudo.  Te envio una fuente que diseñe segun tus requerimientos en el foro, espero  que sea lo que necesitas, si no es asi, no dudes en escribirme:renedeleon@latinmail.com

puente de diodos
C1 Y C2 1000 a 2500 mF.
R1 1 a 5 ohmios 1 vatio (dependiendo del voltaje que se necesite  y del voltaje del transformador
El zener al igual que el resistor
290 ESQUEMAS DE TOCADISCOS+RADIO PHILIPS DE 1953
Hola amigos, agradecería que alguien me informase sobre dónde puedo  encontrar los esquemas de un viejo aparato Philips del año 1953, modelo FE-733-A (tocadiscos de brazo automático con capacidad para 6 discos + radio integrados en un solo mueble) que me gustaría reparar. Muchas gracias.         "Jordi Mañé" <jmane@readysoft.es>
Respuestas mandarla a:foro@ifent.org Recibida el 30/09/99
289  FELICITACIONES  Señores de IFEnt, los  felicito por el contenido de sus pagina web en cuanto a las lecciones (es lo que pude ver con un poco de calma). Yo en estos momentos me encuentro desarrollando mi proyecto de título en Telefonica de Chile, y accedi a uds. después de ingresar a un buscador  investigando sobre  los varistores. Mi tema es protecciones eléctricas y puesta a tierra de los equipos transmisores de datos, en red de acceso de pares metálicos.
De su página baje la información en relación a los varistores y PTC, esto debido a que los dispositivos de protección que actualmente existen, contienen estos elementos además de otros, como por ejemplo descargadores de gases tripolares, descargadores de estado sólido, trisil, bobinas, resistencias, etc.
Bien mi interes es realizar algún tipo de intercambio de información (mi producto final), versus información que uds. me puedan proporcionar de  dispositivos más rápidos que PTC (ej: Multifuse, según fabricante de estos), descargadores de estado sólido, etc. en el nivel dde lo que uds. tienen publicado en su pag web. 
Saludos cordiales  Sergio Peralta <memori2@ctc.cl> Alumno Memorista
Respuestas mandarla a:foro@ifent.org Recibida el 29/09/99
288  Amplificador        "PALOMINO HUARANCA, José Alberto" <joalpahua@mixmail.com> Por favor señores de CODES, enviarme algun circuito de un amplificador de 70 Watts transistorizado. Gracias por lo que me envie.SALUDOS
Respuestas mandarla a:foro@ifent.org Recibida el 28/09/99
287  estoy investigando        Marco Antonio Carballo Hernandez <MarcoCarballo@mindef.mil.gt>
me encuentro realizando una tarea de investigación relacionada a la "guerra electronica", no he encontrado nada aun, este sitio es bien interesante, no tengo ordenador y el tiempo de conexion aca es muy caro, por lo que no puedo dedicarme a realizar busquedas extensas, solicito si saben de algun sitio o tienen material que me pudieran regalar, les estare muy agradecido.
Respuestas mandarla a:foro@ifent.org Recibida el 28/09/99
286  LCD TOUCH SCREEN  Hola estoy necesitando en forma urgente display de no mas de 6 pulgadas con touch screen. O sea lo que busco es una pantalla sensible al tacto (solamente la pantalla) Gracias  Atte. Ing. Fabio Ocampo <softech@internoa.com>
Respuestas mandarla a:foro@ifent.org Recibida el 28/09/99
285 auxilio        giosue carducci parada <gcppap@pmail.net>
HOLA, me llamo giosue y necesito ayuda de cómo PROGRAMAR Y ACCEDER AL PUERTO PARALELO O SERIAL, poque estoy haciendo un proyecto electronico y lo quisiera manejar desde el PC.  GRACIASSSSSSS!!!!!!!!!
Respuestas mandarla a:foro@ifent.org Recibida el 24/09/99
284 INTERRUPTOR TACTIL Hola acabo de mandarles un e-mail pero al parecer no llego a destino Si es asi, entonces aqui va la consulta: Necesito material(manuales, diagramas,etc) sobre el interruptor tactil. Alguna direccion en la cual  encontrar informacion tambien me es util Muy buena la pagina  Adios Si me responden comunicarse a epsilon131@starmedia.com
sI PUEDEN RESPONDERME ANTES DEL MIERCOLES 29 DE SETIEMBRE SERIA ESPECTACULAR gRACIAS
Respuestas mandarla a:foro@ifent.org Recibida el 24/09/99
 
1ªRespuesta a la cuestión 284 De: Funebrero <funebrero@flashmail.com>Recibida: sábado 8 de enero de 2000 5:17  Hola Marco Antonio . Mi nombre es Lucas y soy de Argentina. A continuación te mando los planos, el funcionamiento y todo lo que necesitas para crear tu interruptor tactil. (interruptor tactil)
A cambio me gustaria que me brindaras informacion (si la tenes, por supuesto) de como controlar mediante el puerto paralelo de una PC, motores, luces, sensores, etc. Desde ya agradezco al que me pueda ayudar, y cualquier info que tengan , enviarla a Funebrero@crosswinds.net o Funebrero@flashmail.com
GRACIAS. Lucas
283 INTERRUPTOR TACTIL        FIGUEROA SEPULVEDA CRISTIAN JOSE <cfiguero@cec.uchile.cl>
Hola, soy chileno y por esas cosas de la vida llegue a vuestra pagina. Necesito que me ayudeis a solucionar un problema : Debo implementar un Interruptor tactil y no dispongo de buena informacion. Por lo tanto, les solicito toda la informacion que tengan sobre un interruptor tactil  Mi e-mail es el cfiguero@cec.uchile.cl gracias. Cristian F.
Respuestas mandarla a:foro@ifent.org Recibida el 24/09/99
282 hola      les escribo por que necesito una ayuda de ustedes ya estube en su pagina y me parecio una de las mejoeres paginas de la electronica.    Bueno como ya les habia dicho antes estoy escribiendo para que me ayuden con un trabajo que necesito hacer para la universidad y no he encontrado mucho material les quiero pedir que porfavor por medio a este gran medio de cominicacion el e-mail me envien todo lo referente a la historia de la ingieneria electronica y de omunicaciones y cualquier otro tipo de informacion sobre electronica les suplico me ayuden es esto ya que no he podido encontrar casi nada y no quiero perder los 30 puntos que vale este trabajo porfavor ayudenme que se que ustedes tienen material de sobra y se los agradecere con toda el alma soy estudiante de la universidad INTEC de Republica Dominicana. por favor respondanme este e-mail el trabajo es para el proximo jueves 30 de septiembre de 1999.
escribanme a     dsl16@hotmail.com      DAvid Sotelo
Respuestas mandarla a:foro@ifent.org Recibida el 24/09/99
281 código de Miller Estimados: Primeramente un saludo cordial, desde Chile. Hoy estuve visitando vuestra página, la cual la encontré muy interesante, en la cual me percaté , que puedo hacerles llegar preguntas, por tanto sin mediar palabra.
¿ Uds., me podrían explicar la codificación Miller ? Pregunta relacionada con la transmisión en banda base -> Mecanismos de codificación. Esperando vuestra respuesta, y agradeciendo desde ya la gestión, atentamente  Jaime Bravo Morales
 Fono: 56-2- 6877058  E-mail: ser_jbm@sonda.cl
Respuestas mandarla a:foro@ifent.org Recibida el 24/09/99
280 hola             default default@iteso.mx  Organization: ITESO
quiesira informacion sobre trasmisores digitales ...gracias
Respuestas mandarla a:foro@ifent.org Recibida el 23/09/99
Respuesta a la pregunta 280 9 Oct 2000 From: "Antonio García Rodríguez" dosana@terra.es  
Buenas, mi nombre és Antonio García Rodríguez, quisiera responder a la pregunta 280, sobre la transmisión digital, la realidad és que no se especifica si se desea realizar con vídeo, audio o datos, bueno, podeis obtener información en www.ecv.es para temas de transmisión de imágenes, ya bién sea por Internet, radio (en frecuencias de 900 a 2,4 Ghz), líneas E1, RTC o RDSI, si deseis más información sobre el tema dosana@terra.es. Un saludo a todos
279 pregunta  Muy buenas , solo voy  a hacerle una pregunta que creo no me va a saber responder, es sobre como generar antigravedad o la misma gravedad. Cuál es el principio. Se lo agradeceria mucho si me lo saben responder. Andres/ Cartagena               andsanch@worldonline.es
Respuestas mandarla a:foro@ifent.org Recibida el 23/09/99
278 fuente regulable de voltaje        Gonzalo Gonzales <gonzalog@supernet.com.bo>
cualquier dato o diseño mandar al e-mail     @  supernet.com.bo gonzalog
Respuestas mandarla a:foro@ifent.orgRecibida el 23/09/99
277 PROYECTO BASADO EN MICROCONTROLADOR PIC        "Roberto Dante" <robert_zeus@lanet.com.pe>
SOMOS ESTUDIANTES DE INGENIERIA ELECTRONICA, SI LES FUERA POSIBLE, POR FAVOR ENVIENOS INFORMACION ACERCA DE PROYECTOS DE INGENIERIA ELCTRONICA BASADOS EN MICROCONTROLADORES PIC, EN EL AREA DE SISTEMAS DE SEGURIDAD. EMAIL: ALBERTMB@LATINMAIL.COM
Respuestas mandarla a:foro@ifent.org Recibida el 22/09/99
276 Administración Canal 13 admin@rpc.com.py   Gracias por ofrecerte ayudarme
Resulta que tengo una pésima resolucion en mi monitor, me dijeron que puede ser el controlador, y la estoy buscando.  CARACTERISTICAS:
Monitor: SAMSUMG  - SyncMaster 3Ne
Tarjeta(Adaptador):

    Fabricante: AllianceSemiconductor
    Caracteristica: DirectDraw 1.00
    Version del Programa: 4.03.001510
    Archivos Actuales:   promtn.drv, *vdd, promdd32.dll
 Estoy buscando nuevas verciones o nuevos controladores
  Gracias :)    Jorge Oviedo Respuestas mandarla a:foro@ifent.org
Respuesta 2ª a la pregunta 276 9 Oct 2000 From: "Antonio García Rodríguez" dosana@terra.es  
Mi nombre és Antonio García Rodríguez, sobre la cuestión 276 quisiera responder a ser posible:

Un monitor en color, dispone de una rejilla que és por donde se inyectarán los tres colores fundamentales, muchos fabricantes a la hora de vender el producto habla de la distancia entre pixels, osea, entre el final de uno de los agujeros y el principio del siguiente, si la distancia és muy grande, tendreis un problema con la resolución ya que os encontrareis que cada pixel queda demasiado separado, ahora bién el mayor de los problemas reside en el diámetro de cada uno de los agujeros que de ello nadie habla, a pequeñas resoluciones 640* 480, apreciareis como las letras son correctas, pero a grandes resoluciones los puntos desaparecerán creando una perdida de la resolución, por otro lado, se debe de observar si en un pixel (agujero), se cuando teneis un color determinado, por sus bordes se pueden mostrar no uno sino dos o incluso tres colores, esto significaría que el monitor no está bién ajustado, por otro lado si veis que el monitor se desenfoca, determinado en parte por la cantidad de electrones inyectados desde el transformador de alta, si és excesivo és que no está bién ajustado su valor de referencia.... nosé, si deseas ampliar la información, por favor, escribir a la dirección dosana@terra.es  Un saludo a todos.

Respuesta 1ª a la cuestión 276 de Bellone bellone@way.com.ar  recibida el 15 Nov 1999
Asunto  Mala resolucion.  No creo que el problema este en el controlador del monitor.

Yo tengo el mismo y no he cargado ningun driver especial.  En si el driver lo unico que le indica a placa de video son las tasas de   refresco y algunos datos mas. Quisiera saber a que te referis con una "pésima resolución".
275 A QUIEN CORRESPONDA: La razón de mi e- mail es la siguiente, soy estudiante  de 5º semestre  de la Vocacional numero 4 del Instituto Politécnico Nacional  de México  y en la materia de física me han dejado investigar  los siguientes temas, de los cuales les pido me los envíen por este medio,  son  acerca de  la ley o teorema de Gauss:
Que es superficie gaussiana?
Definir la  ley  de Gauss
Que es vector superficie 
Aplicaciones de la ley de Gauss
a) En un conductor especifico  macizó; en un punto de superficie  y en un punto exterior.
b) En un conductor específico y hueco.
c) En un conductor lineal.
d) En una placa  plana conductora y de extensión infinita.
e) En dos placas paralelas.
De antemano le agradezco la atención prestada para este mensaje y su rápida respuesta del mismo 
Atentamente David Hernández  González.  "DAVID HERNANDEZ" <kns18@mixmail.com>
P.D. su pagina es una de las mejores el  la  web ya que me ha sacado de grandes apuros muchas gracias 
==================================================
david hernandez "empatia para todos"
Respuestas mandarla a:foro@ifent.org
274 hola me gustaria seguir con mi iniciacion en el mundo de la electronica, montando circuitos sencillos. si alguien tiene algun circuito creado por el agradeceria me lo enviase a mi direccion de  internet: guyuru@latinmail.com 
Respuestas mandarla a:foro@ifent.org Recibida el 20/09/99
273 informacion  Hola estoy buscando un circuito electronico sencillo para recargar pilas de Ni/Cd. para alimentar un equipo independiente. pensé en implementarlo con C.I.´s de philips pero me he perdido y no se como continuar. agradeceria con un muy buen intercambio de informacion todo aquello que me llegue a mi direccion de correo electronico: f3026673@est.ct.upc.es
Respuestas mandarla a:foro@ifent.org Recibida el 20/09/99
272 Solicita ckto probador cables rj45 nivel 5         "Manuel Astuya" <marsoftc@ctcreuna.cl>
Hola. Agradecere a los amigos cibernautas, me puedan ayudar en mi solicitud que la paso a exponer de inmediato, me encuentro desarrollando un proyecto para la construcción de un probador de cables de conexión de red RJ45 (nivel 5), ojala pudiera alguien tener material y circuitos que me puedan apoya en  este proyecto. agradecido de antemano, favor enviarlo a mi E-mail que es el siguiente
                                astuya@entelchile.net
                                marsoftc@ctcreuna.cl  o
                                astuya@ctcreuna.cl
Esperando vuestro apoyo y agradecido eternamente.
Respuestas mandarla a:foro@ifent.org Recibida el 20/09/99
271 diagramas de duplicador/triplicador de  voltaje/corriente
 Favor ayudarme a conseguir y entender el funcionamiento de los duplicadores/triplicadores de voltaje/corriente.  En definitiva circuitos multiplicadores de voltaje/corriente. Si es posible enviar al correo electronico         "Fernando Teran" <antuco@yupimail.com> Se les agradece de antemano.
Respuestas mandarla a:foro@ifent.org Recibida el 20/09/99
270 soy un estudiante de ingenieria electronica y necesito que me ayude con :
caracteristicas de capasitores fijos :
  - capasitores de presicion
  -   "          " semipresicion
  -    "         " proposito general
de antemano muchas gracias por su ayuda.
         "FRANCISCO JAVIER VALENZUELA BARRIOS" <fjvb4@hotmail.com>
Respuestas mandarla a:foro@ifent.org Recibida el 20/09/99
269 pregunta?  Hola soy Eric, y me gustaria si es posible que me mandaran alguna clase de informacion referente a cualquier proyecto que se refiera a controlar alguna variable, por ejemplo temperatura, velocidad, precion, etc. esto es un sistema de control. Esperando una respuesta me despido y  agradeciendo de antemano, Eric Enriquez Gomez <eric@lagos.podernet.com.mx>
Respuestas mandarla a:foro@ifent.org Recibida el 19/09/99
268 Informacion fuentes atx  Hola le escribo estas lineas para pedir su ayuda.
Soy tecnico de ordenadores y todos los dias me las tengo que ver con muchos productos electronicos.  Mi pregunta es ¿Donde puedo conseguir informacion sobre fuentes de alimentacion ATX de los ordenadores ,hace tiempo que busco informacion sobre este tipo de fuentes sin exito . Me gustaria conseguir esquemas que me sirvieran para poder arreglarlas o probarlas antes de instalarlas , pues me dan muchos disgustos. Muchas gracias  felix uri <felixuri@yahoo.com>
Respuestas mandarla a:foro@ifent.org Recibida el 18/09/99
267 saludo: AMIGOS DE FORO DE LA ELECTRONICA: PRIMERAMENTE RECIBAN MI SALUDO CORDIAL DESDE GUATEMALA. LOS FELICITO POR ESTE FORO QUE ESTA MUY INTERESANTE. QUIERO CONTARLES QUE SOY TECNICO EN ELECTRONICA Y ESTOY  CONSTRUYENDO MI PAGINA www.gratisweb.com/renedeleon  CON TEMAS RELACIONADOS CON ESTA CIENCIA, Y ESPERO EN ALGO AYUDAR.  ATENTAMENTE   HUGO.   "Hugo Mendez" <gamonsa@intelnet.net.gt>
Respuestas mandarla a:foro@ifent.org Recibida el 18/09/99
266 SOFTWARE GRATIS PARA DISENO DE CIRCUITOS         "Hugo Mendez" <gamonsa@intelnet.net.gt>
LES AGRADECERIA, SI ALGUIEN SABE DONDE PUEDO BAJAR UN SOFTWARE PARA DISENAR CIRCUITOS ELECTRONICOS. DE ANTEMANO, GRACIAS.  E-mail: renedeleon@latinmail.com
Respuestas mandarla a:foro@ifent.org Recibida el 18/09/99
265 saludo  AMIGOS DE FORO DE LA ELECTRONICA:  PRIMERAMENTE RECIBAN MI SALUDO CORDIAL DESDE GUATEMALA.  LOS FELICITO POR ESTE FORO QUE ESTA MUY INTERESANTE.  QUIERO CONTARLES QUE SOY TECNICO EN ELECTRONICA Y ESTOY CONSTRUYENDO MI PAGINA www.gratisweb.com/renedeleon  CON  TEMAS RELACIONADOS CON ESTA CIENCIA, Y ESPERO EN ALGO  AYUDAR.  ATENTAMENTE 
HUGO. "Hugo Mendez" <gamonsa@intelnet.net.gt> 
Respuestas mandarla a:foro@ifent.org Recibida el 18/09/99
264 Saludos y enlace
Saludos!  Antes que nada felicitaciones por lo completa de tu pagina, realmente muy buena.
Tengo un enlace a una pagina de donde se pueden bajar circuitos completos de monitores, el problema es el idioma, ruso!, pero no te asustes, es fácil de  llegar y de bajar los diagramas.
La dirección: http://meltingpot.fortunecity.com/guam/53/rv6llh.htm Luego de abrir la pagina y a continuación de la foto del creador de la misma, en el link que empieza con una Ñ mayúscula, ahí esta el enlace correcto (es el quinto contando desde arriba). Antes era mas sencillo encontrar el vinculo, pero hace unos días este cambio  la diagramacion de la pagina y la cosa se complico (por lo menos para los que no sabemos ruso).  Cualquier duda me avisas, si bien es un poco complicado para encontrar el enlace, vas a ver que vale la pena (Samsung, Panasonic, Daewoo,
Hitachi,etc.) Te mando un cordial saludo y quedo a tus ordenes por alguna duda que tengas.
Sergio Estefan  estefan@netgate.com.uy  Montevideo  Uruguay
263 SOFTWARE GRATIS PARA DISENO DE CIRCUITOS  LES AGRADECERIA, SI ALGUIEN SABE DONDE PUEDO BAJAR UN SOFTWARE PARA DISENAR CIRCUITOS ELECTRONICOS. DE  ANTEMANO, GRACIAS.E-mail: renedeleon@latinmail.com  "Hugo Mendez" <gamonsa@intelnet.net.gt>
Respuestas mandarla a:foro@ifent.org Recibida el 18/09/99
262 FUENTES DE VOLTAJE  HOLA SOY LAURA PARDO ESTUDIANTE DE ING.MECATRONICA.
MI SOLICITUD ES LA SIGUIENTE, LO QUE PASA EN QUE TENGO QUE MONTAR UNA FUENTE DE VOLTAJE Y NO HE LOGRADO CONSEGUIR LOS PLANOS.  LE AGRADEZCO MUCHO AL QUE ME PUEDA BRINDAR SU  AYUDA.  GRACIAS!!!! 
MI e-mail ES lauracaropa@yahoo.com 
Respuestas mandarla a:foro@ifent.org Recibida el 17/09/99
1ª RESPUESTA a la cuestión 262 Recibida el 27/9/1999 
From:  "Hugo Mendez" <gamonsa@intelnet.net.gt>
Laura: En mi página: www.gratisweb.com/renedeleon hay una fuente regulada, que  si no te sirve me lo haces saber y con gusto te envio una mas completa, mi correo personal: renedeleon@latinmail.com  saludos. Hugo René
261 sobre esquemas de monitores  En esta dirección hay algunos esquemas de monitores
http://www.fortunecity.com/skyscraper/temple/779/shema.htm?B5=%D1%D5%C5%CC%D
B+%CC%CE%CD%C8%D2%CE%D0%CE%C2
como es muy larga recomiendo copiarla y luego pegarla en la barra del explorador esta dirección la obtube en el foro de electrónicos http://members.xoom.com/electronicos/foro.htm
espero les sea de utilidad  saludos desde Corrientes al NE de la Rep. Argentina Roly Scappini ; rosca@satlink.com
de paso los invito a visitar my página en  http://webs.satlin.com/usuarios/r/rosca
Recibida el 16/09/99
260 sobre un SAI  Hola amigos les estaría muy agradecido si me pudieran ayudar ampliando la poca información que poseo de lo que es un SAI, en que consiste, para que sirve y de que depende su eleccion.Tambien estoy interesado en saber que es  un KBA (que por cierto me suena a chino),esperando que alguien me eche "un  cable" un saludo para todos.Mi dirección de correo electrónico es: antuna@muniellos.incar.csic.es Adolfo Antuña Arcas 
Respuestas mandarla a:foro@ifent.org Recibida el 16/09/99
259 Necesito saber que es el integrado con la siguiente nomenclatura:  GD 40085B   y que me deis informacion sobre referencias equivalentes.  "Antonio Guijarro Pino" <IBM00327@globalnet.es>
Respuestas mandarla a:foro@ifent.org Recibida el 15/09/99
258 conmutador  hola soy un chico que quiere saber cosas basicas de electricidad.  con dos conmutadores como encender y apagar un bombilla, tan simple  solicito esquema electrico  gracias   "ANTONIO VERDUGO ROMERO" <toni2000@airtel.net>
Respuestas mandarla a:foro@ifent.org Recibida el 14/09/99
257 AYUDA   LO QUE PASA ES QUE NESECITAMOS MONTAR UNA FUENTE DE VOLTAJE QUE TENGA UNA SALIDA DE 0 A 40 VOLTIOS, Y NO HEMOS LOGRADO CONSEGUIR UN MONTAJE  SATISFACTORIO, ENTONCES RECURRIMOS A USTEDES PARA  QUE NOS AYUDEN CON ALGUNO O CON LA INFORMACION  NECESARIA.  LAURA PARDO
MI e-mail POR SI LO NECESITAN ES  lauracaropa@latinmail.com GRACIAS.
Respuestas mandarla a:foro@ifent.org Recibida el 13/09/99
De:  webmaster@megatronica.net Fecha: viernes 14 de julio de 2000
Asunto:
Respuesta a la pregunta 257 Se puenden encontrar varios modelos de fuentes de 0 a 40 voltios en la sección circuitos/fuentes de alimentación en http://megatronica.cjb.net
256 MICROCONTROLADOR PIC AVANZADO 16FC84  HOLA SEÑORES DE IFENT.  SOY UN ESTUDIANTE Y ESTE TEMA ES PARA MI TESIS DE GRADO Y TENGO QUE PRESENTAR UN ADELANTO ESTE VIERNES. A PARTE DEL MICROCONTROLADOR PIC AVANZADO 16FC84, TAMBIEN EL 16C71 Y EL 12C508.  ESTARIA MUY AGRADECIDO SI ME PROPORCIONAN LA INFORMACION QUE NESECITO.
ATT. ROBERT SOSA   GUAYAQUIL - ECUADOR <haroldwilson@gyeunix1.porta.net>
Respuestas mandarla a:foro@ifent.org
255 Pedido de información  Novelda, 4 de Septiembre de 1999
Hola    Soy un chaval que le gusta la maquetación y he estudiado fp en la  especialidad de electronica. mi pregunta seria si me podeis decir como  pueo hacer una estrella fugaz para poder ponerla en mi maqueta. hay  gente que me ha dicho que con fira optica pero que es muy  complicado. A mi me gustaria algo menos sofisticado, como que se  vea solo ese efecto. Tengo pensado ponerla detras de un panel para  poder disimularlo.   me gustaria poder recibir la informacion en mi correo electrónico.  e-mail: fsebastianr.t-nov@nexo.es  gracias.  david
 Respuestas mandarla a:foro@ifent.org
254 consulta universitaria
hola como estas' pimero que todo quiero felicitarte por tu pagina esta espectacular y con uno temas super buenos. mira lo que pasa es que en la universidad me pusieron a consultar los siguiente y no lo he podido encontrar:-capacitores -combinaciones -dielectricos  aplicaciones tecnologicas de lo anterior -capacitores en microelectrica  sinceramente lo necesito super urgente y no habia podido encontrar nada lo unico que me sale en los buscadores son publicidades de empresas, asi que si  no es mucha molestia me podes recomendar direcciones donde pueda  encontrar esto o alguna pagina, si queres y si te queda facil me lo podes  mandar a mi email o sencillamente escribirlo en la pagina qu yo luego la busco,  gracias or la atencion prestada
 "nathalia rodriguez" <cvnarod@eia.edu.co>
 Respuestas mandarla a:foro@ifent.org
253 info   quisiera que me mandaran infoemacion tecnica sobre los microfonos sobre todo los de carbon, de cristal, los de condensador, etc datos tecnicos .  RENATO <seiec@gama.fime.uanl.mx>
Respuestas mandarla a:foro@ifent.org
252 Connecting 30 VCRs to 10 TV   sets?!?(sorry, it is in English...)
Hi! I am sorry, but although I am a brazilian, it is easier for me to write in English than in Spanish.
At the present moment I am interested in purchasing a device (preferably  in Spain or Portugal) to solve the problem of CONNECTING 30 (thirty) VCRs to 10 (ten) or more TV sets, and, on each TV set (or a separate custom panel), selecting "channels" corresponding to VCR signals (a typical Sex Shop scenario, but I do not own a Sex Shop, yet!). Please send any response to the the following e-mail address: hyberson@usa.net . Thank you very much for your patience and help. Sincerely, Hyberson Pereira P.S.: If it helps, I could eventually try to make the question in "bad  Spanish" or reasonable Portuguese :-) Respuestas mandarla a:foro@ifent.org
Contestación a la cuestión 252 9 Oct 2000 From: "Antonio García Rodríguez" dosana@terra.es  
Hola, mi nombre és Antonio García Rodríguez y deseo responderte sobre el tema de vídeos y monitores, para poder conectar 30 VCR's a 10 Monitores, deberás de hacer servir una matriz de vídeo, con ella podrás seleccionar cualquier entrada a cualquier salida e incluso realizar secuencias con el tiempo pre-fijado, mira la pagina www.ecv.es  y verás diferentes modelos, si deseas más información dosana@terra.es
251 cristal : HOLA QUERIDOS AMIGOS ,BREVE HISTORIA .CONSTRUI UN PEQUEÑO TRANSMISOR DE FM, DE PUBLICADA EN UNA REVISTA NORTEAMERICANA EL PROBLEMA ES QUE PARA HACER LA FUNCION DE TRANSMITIR EN STEREO NECESITA UN CRISTAL DE 38 KHZ. AQUI EN MEXICO NO LO PUDE CONSEGUIR Y EN LA COMPAÑIA DONDE
ELABORAN ESTOS TRANSMISORES NO VENDEN ESTOS COMPONENTES SUELTOS .  ALGUIEN ME PODRIA AYUDAR A RESOLVER ESTE PROBLEMA O ESPECIFICAR DATOS  PARA PODER SUSTITUIR ESTE COMPONENTE .Y SI TENGO SUERTE ALGUIEN SABE  DONDE CONSEGUIRLOS . AGRADEZCO DE ANTEMANO ESTE ESPACIO Y SALUDOS A
TODOS .FAVOR DE ENVIAR INFORMACION A MANUEL AYALA PEREZ .A TRAVES DE
foro@ifent.org  manuel ayala perez <manoloa@prodigy.net.mx>
Respuestas mandarla a:foro@ifent.org Recibida el 11/09/99
250 euroconector    HOLA!     Estoy bucando la descripción d elas conexiones por patillas del  euroconectos. Es una tontería lo se, pero se me ha perdido y lo necesito  Gracias...jose <jm.monti@arrakis.es>
Respuestas mandarla a:foro@ifent.org Recibida el 11/09/99
249 parabolica para tv e internet  Necesito información de pequeña parabolica para TV e Internet, para ser utilizada en embarcación, debe mantener la elevación y el horizonte del satélite con un motor, visa en un show náutico en Miami Gracias "lucien mouix" <lmouix@eldish.net>
Respuestas mandarla a:foro@ifent.org Recibida el 11/09/99
248 Cabezas grabadoras y reproductoras mono y estereofónicas  Hola, amigos? Mi nombre es Oscar Monroy Rodríguez de Guadalajara, Jalisco. Estudio en el Centro de Enseñanza Técnica Industrial la carrera de Tecnólogo en Electrónica y Comunicaciones. El objeto de mi mensaje es para  preguntarles si saben de algun sito donde pueda encontrar "Cabezas  grabadoras y reproductoras mono y estereofónicas", así como la  "reproducción mono y estereo de los sonidos". Si alguno de ustedes tiene  información al respecto o sabe de algún web site. Por favor comuníquenme. Gracias  "Oscar Monroy" <omonroy@mail.udg.mx>
Respuestas mandarla a:foro@ifent.org Recibida el 10/09/99
247 Muestreo  Hola:  Soy estudiante de Ingenieria de Diseño y Automatización Electrónica. Estoy realizando mi proyecto final de carrera y tengo algunos problemas. Estoy  construyendo un Osciloscopio digital para visualizarlo en el PC. El circuito de adquisición de datos ya lo tengo funcionando. Lo que no sé es como realizar el algoritmo en VB para poder visualizar las gráficas. Adicionalmente tengo algunas dudas: ¿Necesariamente se necesita un circuito de disparo de tiempos  externo para la señal muestreadora? ¿Si logro hacer un oscilador externo e ingreso la señal al PC por el puerto paralelo, como la Uso? Agradezco a quien  me responda. Atentamente  Antonio José García E  E-MAil: marto@col1.telecom.com.co   Respuestas mandarla a:foro@ifent.org Recibida el 8/09/99
Respuesta a la pregunta 247 9 Oct 2000 From: "Antonio García Rodríguez" dosana@terra.es  
Mi nombre és Antonio García Rodríguez y quisiera responder a la cuestión 247, si que és cierto que para realizar un muestreo necesitas un indicador que tu programa pueda reconocer como un nuevo dato de entrada (basculante), la cosa se te complica al realizar un programa en VB si este és bajo W95/W98, ya que la memoria és mapeada, necesitas una VBX que te realice la gestión de lectura de una posición de memoria, te aconsejo que mires TETRADINE, desde ella, podrás asignar una dirección, así como las direcciones adjuntas a la definida, piensa que mediante los flancos de subida del oscilador, podrás adquirir un nuevo dato, si no dispones de un oscilador externo y quieres dar tu la base de tiempos mediante VB, cuidado con el timer de VB ya que este no funciona correctamente, haz servir la de FXTOOLS que dispone de una VBX más buena.  Si deseas más información, no dudes en contactar dosana@ecv.es , un saludo.
246 consulta    "Escuela de Armamentos de la Armada" <esarm01@armada.cl> Organization:  ARMADA DE CHILE
Les agradeceria me indicaran donde puedo encontrar material referido a "Terristor balometrico" para desarrollar un trabajo de investigacion agradecida de antemano por la acogida los saluda atte Cecilia Tassara Bibliotecologa ESARM01@ARMADA.CL
Respuestas mandarla a:foro@ifent.org Recibida el 8/09/99
245 A QUIEN CORRESPONDA:  La razón de mi e- mail es la siguiente, soy estudiante  de 5º semestre  de la Vocacional numero 4 del Instituto Politécnico Nacional  de México  y en la materia de física me han dejado investigar  los siguientes temas, de los cuales les pido me los envíen por este medio,  son  acerca de  la ley o teorema de Gauss:
Que es superficie gaussiana?.-  Definir la  ley  de Gauss.-  Que es vector superficie 
Aplicaciones de la ley de Gauss
a) En un conductor especifico  macizó; en un punto de superficie  y en un punto exterior.
b) En un conductor específico y hueco.
c) En un conductor lineal.
d) En una placa  plana conductora y de extensión infinita.
e) En dos placas paralelas.
De antemano le agradezco la atención prestada para este mensaje y su rápida respuesta del mismo  Atentamente David Hernández  González. "DAVID HERNANDEZ" <kns18@mixmail.com>
P.D. su pagina es una de las mejores el  la  web ya que me ha sacado de grandes apuros muchas gracias  david hernandez "empatia para todos"
Respuestas mandarla a:foro@ifent.org Recibida el 7/09/99
244 Estoy interesado en los PIC´s!  Mucho gusto, soy Ing. Electricista y estoy interesado en el aporte que Uds. me puedan prestar, ya que estoy investigando acerca de los PIC, en especial el modelo 16F84, muchas Gracias.  "Ing. Wilmer Ramirez" <wilmeran@ing.ula.ve>
Respuestas mandarla a:foro@ifent.org Recibida el 6/09/99
243     Hola  soy Diego Ceriotti, trabajo en automatización industrial y necesito saber si alguno de los participantes de este foro me podría facilitar el circuito de conversión de rs232 a rs485. Me comentaron que se hace con un 1488 y 1489 pero nada mas.-   desde ya muchas gracias  Diego Ceriotti diegojose@LatinMail.com
Mandar   contestación a foro@ifent.org  o a diego310@latinmail.com
Respuestas mandarla a: foro@ifent.org Recibida el 5/09/99
Contestración a la cuestión 243 9 Oct 2000 From: "Antonio García Rodríguez" dosana@terra.es  
Mi nombre és Antonio García Rodríguez, sobre la cuestión 243, para sacarte de dudas, primero quisiera darte una pequeña teoría de estos circuitos, el RS-232, és un protocolo estandarizado, por lo que sus señales de transmisión oscilan entre -10 y +10 voltios, además permite unas señalizaciones como DTR (Terminal de datos lista)..., en cambio el RS485, és un intercambiador de tensiones, donde recibe una tensión diferencial entre sus patas 6 y 7, cuando la tensión diferencial és de 200 mV, el dato és entregado a niveles TTL por su puerta número 1 y para transmitir la señal TTL, se entrega por la puerta número 4 y sale por las diferenciales entre la 6 y la 7, el RS-485 utiliza solo 2 hilos para transmitir y recibir, en cambio el RS-232 dispone de un driver receptor y un driver transmisor, si deseas realizar una conversión en un solo sentido (simplex), tu proyecto está hecho en varios minutos, pero si deseas Half Duplex, esto és bastante más dificil, si deseas más información no dudes en enviarme un email a dosana@terra.es, por cierto los componentes són el MAX232 y el DS3696 o si deseas en 485 proteger las líneas te recomiendo el MAX481,482 ó 483.
242 Esquemas.  Hola me llamo Olmo. Me gusta la electronica y me gustaria saber si alguien sabe como puedo construir un descodificador de canal +. Tambien querria que alguien me mandara algun esquema de un amplificador de señales de TV, a la direccion olmogar@teleline.es. GRACIAS POR TODO. "Olmo García Caballero" <olmogar@teleline.es>
Respuestas mandarla a:foro@ifent.org Recibida el 4/09/99
241        "RAFAEL RODRIGUEZ" <rafarn@teleline.es>
Interesado en esquemas de busca metales
Respuestas mandarla a:foro@ifent.org Recibida el 3/09/99
240 consulta............URGENTE.......................hola, me llamo Clara Capurro, y soy de Perú, soy estudiante de la secundaria, y estoy en tercero de media, queria hacer una  pequeña consulta, es sobre un proyecto de fisica, yo queria hacer una antena parabolica y salites, explicando como llega la información y como se transmite, y todo hacerca de ello. La verdad es que no se si ustedes me prodan resolver esta consulta, si es que no pueden no hay ningun problema.
Recurro a ustedes porque buscando en internet vi su dirección y su pagina, y salen consultas de todo hacerca de la electronica, no se si esto tendra algo que ver, pero vale preguntar.
Muchas gracias por su atención y espero que me den una respuesta. Atte.Clara Capurro
Pd: mi mail es ecapurro@blockbuster.com.pe
Respuestas mandarla a:foro@ifent.org
239 Pregunta sobre Sensores     "Jorge Tomás Guerra" <harremana@cempresarial.com>
Hola Amigos, me llamo Jorge y soy un estudiante de 5º de Ingenieria en Informatica.
Tengo que realizar el proyecto de fin de carrera y me interesaria si me podeis alludar dandome informacion sobre sensores para detectar objetos a una distancia entre 1 cm y 2 m. Sabeis si hay circutos especificos que no necetite amplificar señales recibidas? Me interesaria algo como yo mando una señal y dependiendo del tiempo que tarde en llegar podre calcular la distancia a la que esta el objeto. Gracias por adelantado.Escribidme a esta dirección:    ftomas@euskalnet.net
Respuestas mandarla a:foro@ifent.org
238 Alguien sabe? Hola:  Con el gusto de saludarlos a todos y agradecer que haya páginas como ésta, quisiera saber sobre el CI   CXP80729A.    Viene en un estereo de mesa y parece que controla el CD.   He buscado en algunos catálogos pero no lo encuentro.  Alguien puede ayudarme indicándome en dónde buscar, para qué sirve y cuál sería su sustituto?
Gracias de antemano. Manix  Tabasco, México.E.mail:     redtab15@tab1.telmex.net.mx
Respuestas mandarla a:foro@ifent.org Recibida el 31/08/99
237 Diodos O sea yo tengo una investigación y parece que de eso no puedo encontrar mucho en la net,, he encontrado de todo menos lo que yo quiero tengo una investigación sobre casi todos los diodos que existen,, su comportamiento,, símbolo etc, etc si me pueden ayudar me sería de gran ayuda gracias!! =)         "Alex F. Navarro" <rapaz@sinfo.net>
Respuestas mandarla a:foro@ifent.org Recibida el 30/08/99
236 purificación del silicio hola, oye, no sabes en donde podria encontrar información del proceso de purificación del silicio para hacer componentes electrónicos. Se supone que hay un proceso que van calentando el silicio y así le van quitando las impurezas, pero no encuentro nada. Gracias. "israel villarello" <israelvillarello@hotmail.com>
Respuestas mandarla a:foro@ifent.orgRecibida el 29/08/99
235 PREGUNTA  ¡Hola electrónicos! Soy una estudiante de último curso de ingeniría técnica, que además de no tener ninguna experiecia en el diseño de circuitos, necesita ayuda urgentemente. Se me ha encomendado la creación de un circuito de control que actuará sobre dos interruptores de presión situados en el interior de un pozo. La tensión de trabajo es de 12V (batería de un tractor), y la presión a soportar de 10 kg /m en una profundidad de 20-0 m Creo que estos interruptores deben ser presostatos, pero el control que yo realizo no es mediante presión, es decir, exactamente no me interesa el grado de presión que exista en la tubería, sino que  simplemente,cada cierto tiempo, comuto. Mi pregunta es si mi idéa de usar un presostato es la correcta, o si el dispositivo que necesito se llama de otra forma. Agradecería a quien me pudiera asesorar sobre este tema y me facilitaresquemas eléctricos.  ANA. Dirección: Ana María Conejo Domínguez                 Casería Soledad  29540 Bobadilla Pueblo                Málaga  (Spain)
Mi dirección es: aconejo@clientes.unicaja.es
Nota: Mi enhorabuena al equipo que  ha ideado esta página.
Respuestas mandarla a:foro@ifent.org Recibida el 28/08/99
234 frecuencimetros digitales hola mi nombre es daniel y nesesito esquematicos de frecuencimetros digitales y direcciones  en donde salgan targetas  para osciloscopios para pc. "Snoopy II" <dbasulto@entelchile.net>
Respuestas mandarla a:foro@ifent.org Recibida el 27/08/99
233 desde Uruguay preciso informacion  pude dar con el foro me parecio fantastico. Preciso encontrar algun circuito sensillo de armar para poder ingresar datos por la puerta serie o paralelo al PC por ejemplo que pueda leer un sensor infrarojo cuando es cortado por el paso de una persona y que estos datos puedan ser manejados por un programa en visual basic agradesco al que me envie ideas o el diagrama del circuito         Daniel Gonzalez <danisucu@netgate.com.uy>
Respuestas mandarla a:foro@ifent.org Recibida el 27/08/99
REspuesta    Date:   Wed, 01 Sep 1999 14:26:15 +0200   From:  SEPE <octopus@mx3.redestb.es>
        Hola te quiero ayudar en tu proyecto, contandote que yo con el puerto paralelo, controlo 4 sensores de infrarojos que podrían ser laser o de ultrasonidos. Las señales las recibo por el puerto paralelo y las controlo con Visual Basic, con el que puedo hacer lo que quiera a partir de la recepción de una señal.       Espero haberte ayudado.
        Si estás en madrid y necesitas una mano, aqui estoy.
232 informacion  GRACIAS POR PERMITIR ENTRAR EN SU PAGINA, YA QUE HA SIDO DE GRAN AYUDA. LO QUE NECESITO BASICAMENTE ES TODA LA INFORMACION RELACIONADA CON EL PIC 16F84. ES PARA UN TRABAJO URGENTE.AGRADEZCO LA ATENSION PRESTADA. "CARLOS A. RAMIREZ" <carlosr90@starmedia.com>
Respuestas mandarla a:foro@ifent.org Recibida el 26/08/99
231 Peticion de informacion Hola: Mi peticion es la siguiente, necesito informacion teorica practica sobre los circuitos secuenciales,  cartas ASM y algunos ejemplos de como resolver problemas utilizando las mismas. Cualquier informacion mandarla a: mailto:guille24@cantv.net    Gracias
Respuestas mandarla a:foro@ifent.org Recibida el 25/08/99
230 TRANSFORMADOR 12DC A 12 AC  HOLA  ME LLAMO JUAN  DE CEUTA  TENGO UN GRUPO  COMPRESOR DE UNA  NEVERA  AL QUE SE LE QUEMO EL EQUIPO DE CORRIENTE QUE SE ENCARGABA DE SUMINISTRARLE   12 VOLTIOS EN CORRIENTE ALTERNA  PERO LA ENTRADA ES 12 VOLTIOS  CONTINUA ASI  QUE MI PREGUNTA ES :
 ¿ EXISTE ALGUN ESQUEMA FACIL  DE CONSTRUIR  PARA CONVERTIR 12 VOLTIOS  ALTERNA  A 12 VOLTIOS CONTINUA  CON UN CONSUMO AL ARRANQUE DE  UNOS 15 AMPERIOS Y CONTINUADOS DE UNOS 6 AMPERIOS ?
        "JUAN GARCIA" <ea9agb@mx3.redestb.es>
Respuestas mandarla a:foro@ifent.org Recibida el 24/08/99
229 historia de la electronica   hola amigo: Tengo que realizar un trabajo sobre la historia de la electronica desde sus  inicios hasta nuestras días, ventajas, inconvenientes etc. ¿Donde puedo encontrar esta información? Un saludo J.V. "VILTRO" <jviltro@bcn.mdavila.com>
Respuestas mandarla a:foro@ifent.org Recibida el 24/08/99
228 informacion de osciladores  nesesito informacion de osciladores hartley y osciladores colpitss  aunque sea una direccion en internet favor mandar informacion a  marvin.caballero@telecam.net
Respuestas mandarla a:foro@ifent.org Recibida el 24/08/99
227 Busco informacion!!   Espero que no te moleste mi pedido pero hace rato que busco en la Red y no logre nada bueno.. Busco informacion sobre control por radiofrecuencia, tengo interes en  construir un robot controlado por rf y es por eso que te molesto.. Todo lo que tengas a la mano te lo agradecere .Atte. Guillermo "Guillermo Depetris" <peta@arnet.com.ar>
Respuestas mandarla a:foro@ifent.org Recibida el 21/08/99
226 Esquemas electronicos. Hola me llamo Olmo,  y me gusta mucho la electronica, he montado muchos aparatos electronicos y megustaria saber si alguien tiene algun esquema de un amplificador de señales de radio y televición. Si es asi, por favor mandenmelo a:  "Olmo García Caballero" <olmogar@teleline.es>        !!GRACIAS!!
Respuestas mandarla a:foro@ifent.org Recibida el 21/08/99
225 equipos de radio  Estimado amigo. He estado en vuestra pagina y esta muy interesante.Desearia saber si alguien podria ayudarme, Soy tecnico en electronica y he descubierto este nuevo mundo de las emisoras de radio. Podria decirme alguien donde puedo conseguir esquemas electronicos de emisoras,caracteristicas y manuales de uso, software de programacion, etc..,de cualquier equipo, pero sobre todo de las emisoras:     YAESU FTL 2001     TELTRONIC P256/S       KENWOOD TK 715.AGRADECERIA CUALQUIER INFORMACION QUE ME FACILITARAN.MUCHAS GRACIAS Y HASTA PRONTO. Francisco Javier Lopez Martinez <fjlmele@yahoo.es>
Respuestas mandarla a:foro@ifent.org Recibida el 21/08/99
224 SolicitudA QUIEN CORRESPONDA:     PRIMERO QUE NADA FELICIDADES POR SU PAGINA, PRESENTA BASTANTE INFORMACIÓN ACERCA DE ELECTRÓNICA Y GENERALES. SOY ESTUDIANTE DE ING. ELÉCTRICA DEL INSTITUTO POLITÉCNICO NACIONAL EN LA CD. DE MÉXICO.   QUIERO SOLICITARLES QUE ME RECOMIENDEN ALGUNA PAGINA (AS), EN DONDE YO PUEDE ENCONTRAR INFORMACIÓN ACERCA DE MI ÁREA (SISTEMAS DE POTENCIA).    SIN MÁS POR EL MOMENTO ENVIANDOLE UN SALUDO. ATTE.    FERNANDO BARRERA PACHECO "fernando barrera" <tiburon_ipn@hotmail.com>         PASANTE DE LA CARRERA DE I.E.
Respuestas mandarla a:foro@ifent.org Recibida el 20/08/99
223 Quiero entrar al Foro Deseo saber que es un amplificador de transconductancia y que es un
amplificador de transresistencia o mandarme alguna direccion en internet para sacar informacion de esto, tambien de los circuitos equivalentes. josue toxqui <teusoj@yahoo.com>
Respuestas mandarla a:foro@ifent.orgRecibida el 19/08/99
222 Esquema de reproductor de CDs SONY Hola! Soy Sergio y desearia que alguien me enviara el esquema de un reproductor de CD's de audio SONY modelo CDP-M26 o de algun sitio web donde pueda conseguirlo. Tambien quisiera saber la función de cada uno de los 40 pines del conector  IDE de un CD-ROM. Son identicas para todos los modelos? El que me interesa en un MATSUSHITA de 4x.  Muchas gracias a todos.  Sergio  "Sergio Pelay Caballero" <spelay@olemail.com>
Respuestas mandarla a:foro@ifent.org Recibida el 19/08/99
Respuesta Nº. 1 recibida el 18 Oct 1999 13:38:14 -0600 Respuesta a la pregunta 222:
Estimado sergio por lo que respecta al diagrama sony , tngo que buscarlo por ahi, y lo de el conector de 40 pines no tengo a la mano la informacion tecnica, pero lo que si te puedo decir es que siendo un dispositivo ide , puedes conectar lo que sea siempre y cuando respetes el pin 1 con el 1, el 2 con el 2  etc...  Si tienes un cdrom 4x y es IDE  lo puedes conectar, verifica que este configurado como esclavo si es que solo tienes 1 solo puerto IDE de conexion.
 "Arturo Garcia Saldaña" <agarcia@veracruz.podernet.com.mx>
221 Información  Necesito información acerca de un mini- tester para motores electrónicos
Mercedes Benz serie 450 y 900, marca TEMIC. y referencias sobre diagnosis 2000 y HHT referido al mismo tema. De tener algun tipo de información le ruego me mande un mail a la siguiente casilla Nieldec@ciudad.com.ar. Me interesa comprar este mini- tester y obtener la información técnica. Gracias, atte. Mattioli, Martin N. Repuestos Mat- Fer
Respuestas mandarla a:foro@ifent.org Recibida el 18/08/99
220 contador de frecuencia ¡Hola! Acudo a este foro con la esperanza de que puedan ayudarme. La cuestión es que, en mi clase de electrónica digital, necesito construir un contador de frecuencia.  ¿Sabe alguien de un sitio web donde pueda encontrar información detallada sobre ellos?  Agradecería mucho que las respuestas se enviaran a la dirección Juan-toro@usa.net  Gracias a todos.
Respuestas mandarla a:foro@ifent.org Recibida el 17/08/99
219 Les agradecería información sobre... Urgente¡¡¡¡ necesito información, sobre las caracteristicas electricas y del funcionamiento de una arrancador estatico ( partidor suave) para motores asincronos.Sergio Andrade <seoli@yahoo.com>
Respuestas mandarla a:foro@ifent.org Recibida el 17/08/99
218 aplicaciones  hola a migos, necesito realizar un trabajo de exposición de algunas aplicaciones de convertidores de digital a analógicos y viceversa, si tienen documentación  al respecto, favor enviarmelo o indicarme donde puedo obtenerla Roberto Ernesto Briceño <rebriceno@telefonica.com.sv>
Respuestas mandarla a:foro@ifent.org Recibida el 17/08/99
217 Informacion sobre foro  juagasaa@ctcreuna.cl
Estimados amigos Tengo mi propio servidor NT en mi Departamento de Ingenieria Electrica de la Universidad de Antofagasta y deseo realizar mi propio Foro con los alumnos de mi carrera. Te solicito me informes como debo realizar una buena pagina tipo formulario para que los alumnos puedan accesar mi Foro. Tambien si tienen informacion sobre el script que se debe poner en
Perl en mi servidor. Agradecidos de su informacion.  Jorge Gianotti Hidalgo  Academico Departamento de Ingenieria Electrica
Universidad de Antofagasta Antofagasta - Chile  jgianotti@uantof.cl  electra.uantof.cl
Respuestas mandarla a:foro@ifent.org Recibida el 15/08/99
216 CONSULTA  San José de Cúcuta, agosto 21 de 1999
Señores IFEnt
Cordial Saludo. Soy estudiante de 8 semestre de Ingeniería de Sistemas de la Universidad Francisco de Paula Santander en Cúcuta-Colombia, he visitado su página y quisiera si fuera posible que Ustedes me suministraran información acerca de la Arquitectura y Funcionamiento del Micro-Controlador PIC 16Cxx , pues en estos momentos me sería muy útil ya que en el Centro de Estudios va a organizar un Foro, como un objetivo de la materia MICROPROCESADORES  que estamos cursando. Agradeciendo de antemano su pronta respuesta, se despíde, "NESTOR LUCIO ORDOÑEZ PEÑARANDA" <nlop@col1.telecom.com.co>
Respuestas mandarla a:foro@ifent.org Recibida el 14/08/99
215 pedido de informacion  Que tal escrivo desde argentina, soy ing electronico. Me gustaria saber en que lugar puedo comprar un kit de desarrollo, MSC 96, para los microcontroladores 80c196kc
de intel. Me conformo con conocer el numero de fax o la direccion del lugar donde no lo puedo conseguir. saludos Marcelo F. Campos   "micromec" <micromec@infovia.com.ar>
Respuestas mandarla a:foro@ifent.org Recibida el 13/08/99
214 "Telecentro Plaza Urquiza" <telurquiza@arnet.com.ar>
NECESITO CIRCUITOS IMPRESOS, ME ESTOY INICIANDO EN EL MUNDO DE LA ELECTRONICA.     GRACIAS E/MAIL: JAC@COMIC.COM
Respuestas mandarla a:foro@ifent.org Recibida el 13/08/99
213 Hola: Mi nombre es José Inostroza, estoy tratando de conseguir  instructivos o manuales de amplificación o sonido profesional a través de este medio; me interesa en forma especial las definiciones de los diferentes equipos que se ocupan  en amplificación en vivo. Si ustedes pudieran proporcionarme este material o una una dirección en Internet de donde sacarla, les estaría muy agradecido.  La respuesta por favor enviarla a: centralav@netexpress.cl   ó audiovisual@netexpress.cl Muchas gracias. JOSE INOSTROZA  SANTIAGO-CHILE Inostroza Orellana José <joinostroza@nt.entel.cl>
Respuestas mandarla a:foro@ifent.org Recibida el 12/08/99
212 Consulta Hola a todos: Mi nombre es Jaime Villca,soy aficionado a la electronica estoy recolectando información sobre decodificadores te TV, espero que alguno me pueda ayudar, mi e-mail es semuseyin@latinmail.com
Desde ya muchas gracias a todos.GUSTAVO MAGGI <semuseyin@LatinMail.com>
Respuestas mandarla a:foro@ifent.org Recibida el 10/08/99
211 MICROCONTROLADOR PIC AVANZADO 16FC84HAROLD WILSON <haroldwilson@gyeunix1.porta.net>  HOLA SEÑORES DE IFENT.  SOY UN ESTUDIANTE Y ESTE TEMA ES PARA MI TESIS DE GRADO Y TENGO QUE PRESENTAR UN ADELANTO ESTE VIERNES. A PARTE DEL MICROCONTROLADOR PIC AVANZADO 16FC84, TAMBIEN EL 16C71 Y EL 12C508. ESTARIA MUY AGRADECIDO SI ME PROPORCIONAN LA INFORMACION QUE NESECITO. ATT. ROBERT SOSA GUAYAQUIL - ECUADOR
Respuestas mandarla a:foro@ifent.org Recibida el 9/08/99
210 solicitud de planos  "Mauricio Cardona Naranjo" <servcomp@col2.telecom.com.co>
hola amigos  solicito a ustedes muy comedidamente información sobre planos de monitores
para computador de diferentes marcas si conocen alguna dirección agradeceria la información
Respuestas mandarla a:foro@ifent.org Recibida el 9/08/99
209 NECESITO AYUDA  "Dirección Gral. de Normatividad y Procedimientos" <cgenorma@worldnet.net.mx>  UNIVERSIDAD AUTONOMA DE GUERRERO
POR MEDIO DE ESTE CONDUCTO, ME PERMITO SOLICITAR SU APOYO PARA OBTENER UNA INFORMACIÓN QUE NECESITO PARA NTREGAR COMO UN TRABAJO DE INVESTIGACIÓN EN LA MATERIA DE ROBOTICA. LOS TEMAS SON :
* CARACTERISTICAS DEL BRAZO DE UN ROBOT CINEMATICO.
* CONCEPTO DE PROGRAMACIÓN EN LENGUAJE DE ALTO NIVEL.
* COMPENSACIÓN DE CARGA DE UN ROBOT.
* CANTIDAD DE BITS QUE SE BENE GENERAR PARA MOSTRAR
LOS COLORES PRIMARIOS.
ESPERANDO CONTAR CON SU VALIOSOS APOYO, MUCHAS GRACIAS Y ESTOY A SUS ORDENES.  ATTE. ERIC RAFAEL CASTAÑÓN CAMARGO ESTUDIANTE DE INGENIERIA EN COMPUTACIÓN. Respuestas mandarla a:foro@ifent.orgRecibida el 6/08/99
208 antenas parabolicas   hola, esta pagina me parece muy buena, sobre todo para las personas que están estudiando, bueno mi pregunta es muy corta y directa. tengo asignado un proyecto del noveno semestre de ingeniería eléctrica de la universidad de oriente de Venezuela, el cual consiste en el diseño de una antena parabólica. mi interés es el de reunir todas las pautas necesarias para el diseño de las mismas. muchisimas  gracias por atender mi petición.
se despide de ustedes carola.  "Alí Orense" <alanorma@cantv.net>
Respuestas mandarla a:foro@ifent.org Recibida el 6/08/99
207 buscamos...Estimados amigos: Somos una empresa que estamos buscando una información referente al mundo de la electrónica. Necesitamos información acerca de un ondulador. Necesitamos saber si existe o se puede fabricar un ondulador con las siguientes características: 380 V. de salida trifásica y una potencia de 5.000W. para una bomba de extracción  de agua de 2.200W. de potencia. Necesitamos información de empresas que lo fabriquen y su dirección. 
Esta información la necesitamos lo antes posible ya que este aparato lo necesita una empresa de instaliciones eléctricas urgentemente. muchas gracias por su atención
las respuestas mandarlas a la dirección e-mail:ubeda@argen.net
Respuestas mandarla a:foro@ifent.org Recibida el 5/08/99
206 LES FELICITO POR ESTA SUPER PAGINA. Soy tecnologo electronico y estoy incursionando en el campo de la reparacion de monitores de computador de todas las marcas. Tengo un monitor compaq presario 14sv, el problema es que no se prende el led de encendido principal y no se regula la imagen, salinedo solo lineas laterales. Alguien me podria ayudar con el diagrama electronico de este monitor o con alguna sugerencia. Que integrado es el equivalente al TDA4850, ya que no encuentro el respuesto en ECG. Mi correo es duro_o@latinmail.com y agradecere cualquier informacion.Byron Castro <duro_o@LatinMail.com>
Respuestas mandarla a:foro@ifent.org Recibida el 4/08/99
sobre TDA 4850   17 Sep 1999
Estimado amigo:  encontraras informacion sobre los pìnes y demas de este integrado en la
página de SG THOMPSON  http://www.st.com/stonline/books/index.htm
SALUDOS   Roly Scappini  rosca@satlink.com  http://webs.satlink.com/usuarios/r/rosca
205 Pregunta de electrónica  Hola , me llamo Andrés y tengo la siguiente pregunta o más bien petición. quiero construir una tarjeta y comunicarla con el puerto paralelo del ordenador y me gustaría que me indicáses la forma de construir un circuito que me aisle el puerto paralelo para no tener ningún problema a la hora de unir  los dos dispositivos.  Yo tengo uno con optoacopladores TI111L y quisiera saber si hay algún integrado que cumpla esta función.  Un saludo  Andres
Respuestas mandarla a:foro@ifent.org Recibida el 4/08/99
204 pregunta por multiplesoras tiene alguien un diseño de una multiplesora de 48 canales para convertir senal DMX en analogica   jacinto gómez <rayuela1@worldonline.es> Organization:   rayuela producciones teatrales
Respuestas mandarla a:foro@ifent.org Recibida el 3/08/99
203 Hola, es la primer vez que ingreso a un foro y me parece un buen recurso. Quiero saber donde puedo conseguir información sobre plaquetas de fibra de vidrio de 0.4 mm a 0.8 mm de espesor y si alguien sabe de proovedores en Argentina u otro lugar.muchas gracias   "minetti" <minetti@correo.dataco15.com.ar>
Respuestas mandarla a:foro@ifent.orgRecibida el 3/08/99
202 Una pregunta mas
Alguien ne puede decir donde encontrar esquemas de aparatos electricos en especial fax, impresoras, escaner,.... Gracias "magic-tronic" <xj19064@autovia>
Respuestas mandarla a:foro@ifent.org Recibida el 2/08/99
201 Soldadura electrónica.   Me gustaría saber si hay algún sitio donde encontrar apuntes acerca de  técnicas de soldadura electrónica y de microsoldadura. "Luis Moñino D{iaz" <leoverdura@arrakis.es>
Respuestas mandarla a:foro@ifent.org Recibida el 2/08/99
200 variador de velocidad   saludos; necesito si es posible orientarme sobre algun circuito que me pueda servir para controlar la velocidad de un motor de 24 volts cd el cual estoy alimentando con 2 baterias de 12 vcd, este circuito debe tener una alimentacion de 24 vcd y una salida de 24vcdcon un rango de velocidad de 0-24 por su informacion muchas gracias su amigo jose luis mena "lmena@coah1.telmex.net.mx" <lmena@coah1.telmex.net.mx>
Respuestas mandarla a:foro@ifent.org Recibida el 1/08/99
199 informacion  que tal , me presento soy Dario De rito, estudiante de ingenieria de electronica en argentina. visitando su pagina web , la cual me parece muy importante ,no pude encontrar informacion que en estos momentos me seria de utilidad. *Necesitaria informacion sobre como diseñar un generador de señales seniodales partiendo de un puente de wien Actualmente construi un placa adc/dac para conectar en el bus isa de la pc, pero problemas con en assembler TEngo que hacer una ficha tecnica de ensayo de un transformador en base a las normas ieee necesito informacion tecnica sobre fusiresistores y resistores de presicion
ME SERIA GRATO QUE ME AYUDARAN EN ESTOS PROBLEMAS , SI ME PUDEN ENVIAR 
VIA EMAIL INFORMACION SOBRE ESTOS TEMAS O POR EL CONTRARIO GUIARME A 
ALGUNA PAGINA DE INTERNET DONDE PUEDA OBTENER DICHA INFORMACION.
GRACIAS ATTE DARIO "dario" <salva23@mixmail.com>
Respuestas mandarla a:foro@ifent.org Recibida el 1/08/99

¡ Prepárate !
Cursos de formación

¡ Repasa !
Lecciones

¡ Encuentra !
El Mundo de la Electrónica

¡ Pregunta !
Foro de la Electrónica

IFEnt®